泰利SA37~SA97减速机外形安装尺寸图

2022-03-29 08:37:32 阅读次数: 1871


SA37减速机外形安装尺寸图


SA47减速机外形安装尺寸图


SA57减速机外形安装尺寸图


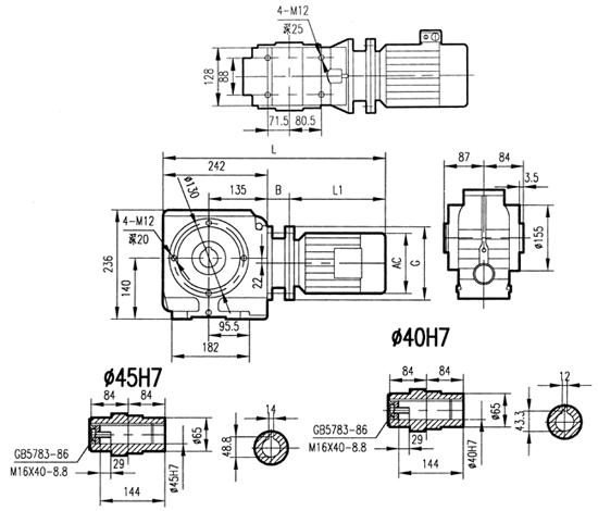
SA67减速机外形安装尺寸图


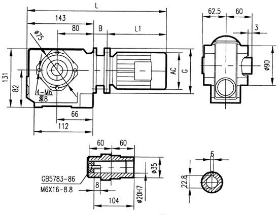
SA77减速机外形安装尺寸图


SA87减速机外形安装尺寸图


SA97减速机外形安装尺寸图